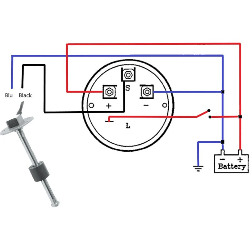
Emetteur à flotteur universel 10-180 ohm pour les jauges à eau (propre ou grises) et à carburant des bateaux et des camping-cars.
En inox, cette sonde pour réservoir d’eaux propres ou noires, de carburant (essence ou Diesel) est universelle et compatible avec la plupart des réservoir et des marques de jauges du marché. Accessoire de très bonne qualité, l’émetteur pour jauge fonctionne en 12/24 V.
Compatible avec : GUARDIAN, VDO, UFLEX, FARIA EUROPA, YAZAKI (modèle 2 fils).
– Résistance flotteur haut : 180 ohm
– Résistance flotteur bas : 10 ohm
– Diamètre du flotteur caoutchouc : 35 mm
– Hauteur hors jauge avec joint 21 mm















Avis
Il n’y a pas encore d’avis.