JOHNSON Viking Universal.
Pompe de cale manuelle pour bateau, la Viking Universal JOHNSON PUMP peut également être utilisée comme pompe à eaux noires.
De très haute qualité de fabrication la Viking de JOHNSON est une référence sur le marché. Sélectionnée par de nombreux chantiers de construction de bateau pour la première monte, elle est dite « universelle » car elle peut se monter verticalement ou horizontalement ! Ce qui facilite nettement son installation. Auto-amorçante, elle est aussi très robuste et convient pour une utilisation comme pompe à eaux noires (l’eau de la cuve à eaux noires des WC) !
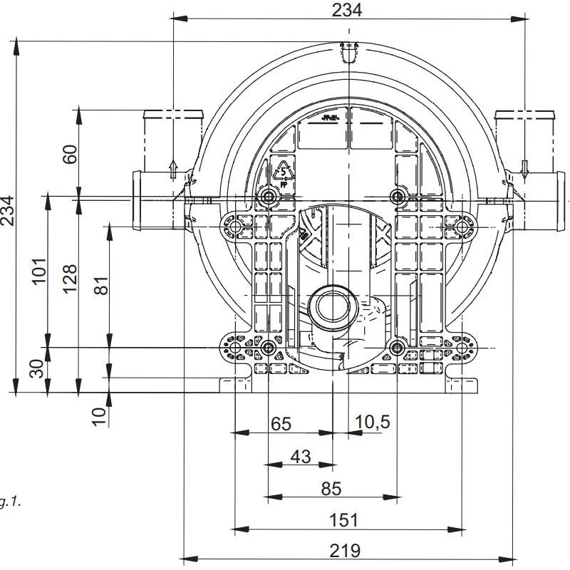
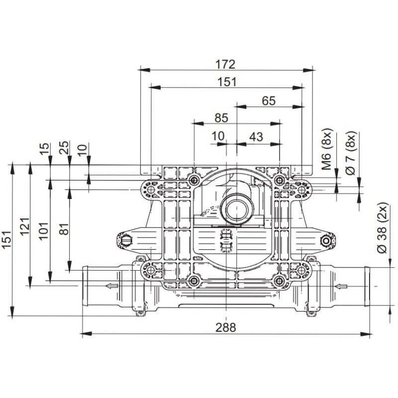
Livrée avec sa poignée d’action ergonomique elle offre un débit d’usage à 64 L/minutes. En standard, elle est livrée avec des raccords cannelés droits et couhés pour tuyaux de ø 38 mm ; mais JOHNSON propose en option des raccords coudés et droits pour tuyau de 25 mm si votre installation est déjà en ø 25 mm (voir ici). La marque propose également le kit Through Deck qui est un passe pont de finition pour la pompe.
Spécification de la pompe de cale manuelle pour bateau JOHNSON PUMP :
– Capacité : 35 L/min avec installation tuyau ø 25 mm et 45 L/min avec tuyau ø 45 L/min
– Poignée et couvercle tout-en-un
– Auto-amorçante 3 m
– Matériaux : corps polypropylène et pièces métallique en inox
– Type : à membrane
– Température max du liquide aspiré : 60°
– Connexions tuyaux : cannelés droit ø 38 mm
















Avis
Il n’y a pas encore d’avis.