AIRPAX IAG inter + disj hydro 12-230V
Interrupteur avec disjoncteur intégré pour circuit 12V bateau et camping-car et distribution 230V, unipolaire avec levier de commande capacité de 5 à 50 Ampère. compatible tableau BLUE SEA.
AIRPAX SANSATA interrupteur à levier avec disjoncteur magnéto hydraulique, plus sensible et plus précis que le disjoncteur thermique l’interrupteurs Airpax est idéale pour la conception du circuit électrique 12/220V à bord du bateau et fourgon aménagé.
Cet interrupteur remplace le fusible obligatoire sur chaque circuit électrique du bateau et camping-car, le disjoncteur incorporé capable de supporter 50% de surcharge durant quelques secondes interrompra le circuit à la charge de rupture donné, lors d’un court-circuit la coupure est immédiate et le réarmement du disjoncteur impossible jusqu’à résolution du problème.
Point fort du disjoncteur magnéto-hydraulique 12/230V AIRPAX:
– Plus sensible
– Usage intensif
– Pas de remplacement nécessaire y compris après plusieurs déclenchements de sécurités
– Disponible en forte capacité 50A (12/24V)
– Disjoncteur compatible avec tableau électrique VDO et BLUE SEA équipé avec disjoncteur A-série Toggle.
Caractéristiques de l’interrupteurs + disjoncteur AIRPAX IAG :
– Tension d’utilisation : 12/24/230V
– Capacité : 5 ; 10 ; 15 ; 20 ; 50A
– Type : Unipolaire
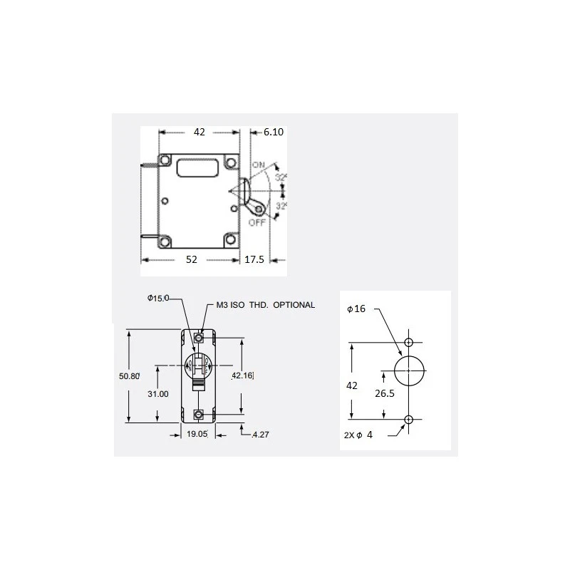
– Dimensions : H51 x l19 x P42 mm
– Diamètre de perçage levier : 16 mm
– Fixation : 2 filetages en façade type M3
– Autres dimensions : Voir image















Avis
Il n’y a pas encore d’avis.